Bıçak Sanatı - Forum

Bant zimpara makinesi planlari.

Ismet Guney

  • ***
  • 667
  • 1968
  • Yer: ankara
Bant zimpara makinesi planlari.
« : 30 Ocak 2012, 22:38:17 »
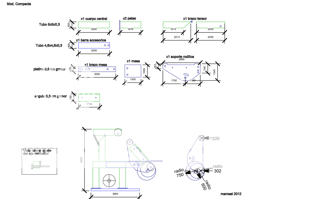
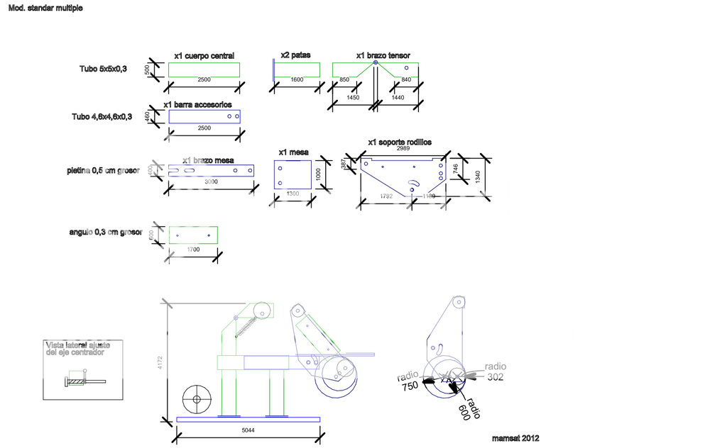
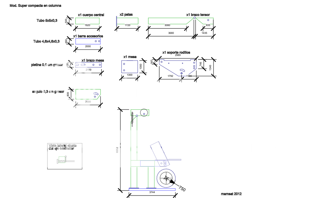
Makina planindan hic anlamam ama bunlar bant zimpara makinesi
planlari.umarim faydali olur.isteyene yazilari tercume edebilirim. selamlar
Olmuyorsa zorlama, ya hayallerin kırılır ya kalbin. Unutmuş gibi yap Çünkü güzel şeyler; onları hiç beklemediğinde gerçekleşir



MURAT BUSHCRAFT

  • ***
  • 757
  • Meslek: inşaat Mühendisi
  • Yer: ANKARA
Ynt: Bant zimpara makinesi planlari.
« Yanıtla #3 : 20 Ağustos 2015, 10:52:54 »
Ellerinize saglik.kendi makinesini yapmaya calisan arkadaslara cok yardimci olacaktir. :2up :2up :2up
TEL: 0532 550 70 68                           FACEBOOK: Murat Bushcraft                                         INSTAGRAM: murat_bushcraft

alperuzel

  • *
  • 515
  • Meslek: Bıçağa Dair
  • Yer: TOKAT
Ynt: Bant zimpara makinesi planlari.
« Yanıtla #4 : 20 Ağustos 2015, 11:37:31 »
Ölçekleri ile beraber .....

Soytürk Dönmez

  • ***
  • 4198
  • Meslek: Dövme Bıçak
  • Yer: İstanbul-Büyükçekmece
« Son Düzenleme: 20 Ağustos 2015, 11:55:55 Gönderen: Soytürk Dönmez »

maytir

  • ***
  • 288
    • ARTVENTURE Reklam Tasarım
  • Meslek: Grafik Tasarımcı - KRAV MAGA Eğitmen
  • Yer: İstanbul
Ynt: Bant zimpara makinesi planlari.
« Yanıtla #6 : 20 Ağustos 2015, 12:11:23 »
Yuri Rindlisbacher isimli bir bıçak ustasının Facebook linkini takip ediyorum. Burada yaptığı bıcakların yanı sıra ürettiği? yada yaptırdığı bant zımparalarla ilgili paylaşımları da mevcut. Oradan takip edeilirsiniz.
Mustafa Aytır
10-02-1971 - İSTANBUL
https://www.instagram.com/atolye_maytir/

İlkay Kadir Karaca

  • *
  • 814
  • Meslek: öğrenci
  • Yer: SAKARYA
Ynt: Bant zimpara makinesi planlari.
« Yanıtla #7 : 20 Ağustos 2015, 12:34:10 »
İnsanlar sana yalan söylüyorsa bıçağını keskin tut.

Soytürk Dönmez

  • ***
  • 4198
  • Meslek: Dövme Bıçak
  • Yer: İstanbul-Büyükçekmece
Ynt: Bant zimpara makinesi planlari.
« Yanıtla #8 : 21 Ağustos 2015, 00:21:51 »


    Teşekkür ederim.